聯系人:熊先生
手 機:13697432957
電 話:13697432957
地 址:廣州市天河區華觀路1963號天虹科技園

真空輥是一種用在薄膜收放卷設備上的吸附輥,它不同普通的雙面輥,真空輥的輥面設有穿透輥面的吸氣孔,在輥筒內設有吸氣元件,吸氣元件設有朝向輥筒內壁的吸氣口,隨著輥筒相對于吸氣元件的轉動,輥面上的吸氣孔周期性地經過吸氣元件的吸氣口。吸氣元件在輥筒內的徑向位置可變,…

正火是指將真空吸附輥工件加熱奧氏體化后在空氣中冷卻的熱處理工藝。正火的目的是細化晶粒,消除網狀滲碳體,并為淬火、切削加工等后續工序作組織準備。正火與退火相比,奧氏體化溫度高;冷卻速度較快,過冷度比較大,所以正火后最終得到的組織比較細,強度、硬度比退火要高一些…

在真空輥加工中,工藝系統在各種熱源的影響下,常產生復雜的變形,破壞了工件與刀具的相對位置和運動的準確性,造成工件的加工誤差。熱變形對真空吸附輥加工精度影響較大,特別是在精密加工和大件加工中,熱變形所引起的真空輥加工誤差有時占到總加工誤差的40%~70%。而現代機械…

真空吸附輥加工中減少工藝系統受力變形是保證加工精度的有效途徑之一。在生產實際中,主要從兩方面采取措施予以解決:一是提高系統的剛度;二是減少載荷及其變化。在設計機床或夾具時,盡量減少真空吸附輥其組成零件數,以減少總的接觸變形量,注意剛度匹配,防止低剛度環節出現…

加工精度是加工質量的重要組成部分,它直接影響真空吸附輥的工作性能和使用壽命,隨著科學技術的發展,對加工精度的要求也越來越高,分析研究影響加工精度的因素及其規律,是機械制造工藝學的主要任務之一。真空吸附輥加工精度是指零件加工后的實際幾何參數(尺寸、形狀和位置)…

真空吸附輥裝配尺寸鏈中裝配精度就是封閉環。真空吸附輥產品通常都比較復雜,為便于裝配和提高裝配效率,整個產品多劃分為若干部件,裝配工作分為部件裝配和總裝配,因此,應分別建立產品總裝尺寸鏈和部件裝配的尺寸鏈。產品總裝尺寸鏈以產品精度為封閉環,以總裝中有關零部件的…

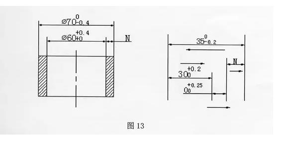
前面分析的幾種實例其尺寸鏈都比較簡單,當真空吸附輥工序基準變換比較復雜,組成尺才鏈環數較多時,尺寸鏈的查找和解算就比較麻煩且易出錯。此時可運用圖解跟蹤法或尺寸式法來建立和解算工藝尺寸鏈。現舉例說明如下:圖中所示套簡零件(圖中僅標注軸向尺寸),與軸向尺寸有關的…

真空吸附輥表面處理一般分兩類:一類是滲人類、如滲碳、滲氮、液體碳氮共滲等;另一類是鍍層類,如鍍鉻、鍍鋅、鍍銅等。對滲人類表面處理工序的工藝尺寸鏈計算,一般要解決的問題為:在最終真空吸附輥加工前使滲人層控制一定厚度,然后進行最終加工,保證在加工后能獲得圖樣要求…
掃一掃咨詢微信客服